ZEM桌面台式扫描电镜-扫描电镜价格
日期:2022-05-11
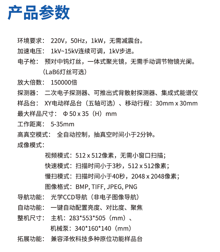
ZEM桌面台式扫描电镜,使用方便,操作简单,稳定性好,速度快,小巧方便,在使用ZEM桌面台式扫描电镜时只需要找一张桌子,供电后就可以正常工作,软件操作也很简单,可以看操作手册。


桌面台式扫描电镜应用




188博金宝网页官网是ZEM桌面台式扫描电镜生产厂家,关于ZEM桌面台式扫描电镜价格请咨询
TAG:
桌面电镜
桌面台式扫描电镜
扫描电镜
台式扫描电镜
扫描电镜价格
作者:188博金宝网页官网
