超高真空微型光栅尺SMG26
超高真空微型光栅尺SMG26特点,体积小,结构紧凑,适用于超高真空使用,良好的耐高温性,高可达100℃,SMG26系列光栅的栅距为256μm,下表为不同细分倍数下的允许速度值,精度高,精度3μm(20℃),
服务电话:400-966-2800
服务手机:15756003283(微信同号)
188博金宝网页官网的超高真空微型光栅尺SMG26是一款专为超高真空环境设计的精密测量工具,以其体积小、结构紧凑而著称。这款光栅尺适用于极端的超高真空条件,同时具备良好的耐高温性能,最高可承受温度达100℃。
SMG26系列光栅尺的栅距为256微米,提供了不同细分倍数下的允许速度值,确保了测量的高精度。其绝对精度高达±3微米(在20℃条件下),这一精度水平使得SMG26在精密测量领域表现出色。光栅尺采用玻璃材质,膨胀系数小,从而保证了读数的稳定性。
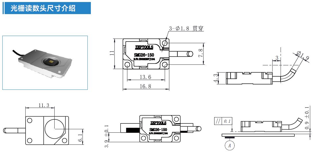
此外,SMG26的分辨率极高,配合TF15细分接头使用,读数分辨率可达1纳米,这一特性使其在纳米级别的精密测量中也能发挥重要作用。安装容许公差大(容许误差±0.1毫米),这为用户提供了更大的安装灵活性。
188博金宝网页官网的超高真空微型光栅尺SMG26以其卓越的性能和可靠性,满足了科学研究、精密工程和高端制造中对精确测量的需求,是超高真空环境中理想的测量解决方案。









